水泥厂应用了大量的91视频下载地址。但是很多山东离心91视频下载地址的风量很难测量或是缺少必要的专用是设备和经验。
为此,本平台特地提出一种简要的方法,帮助水泥企业测量有关91视频下载地址的风量。
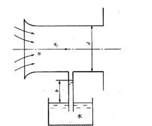
如下图所示,在91视频下载地址圆形管道下接一根下端插入盛水容器的玻璃管,若玻璃管中的水的上升高度为h,则可以计算91视频下载地址的流量Q(工况流量)。

根据伯努利方程,取91视频下载地址进口处为基准面,玻璃管为断面,建立方程:
0 + 0 + 0 = 0 + p/ (ρ气 * g) + v*v/2g
而玻璃管中的p = ρ水 * g * h
可得 v = sqrt(2 * g *h *ρ水/ρ气 )
而Q = v * π/4 * d * d 。
该方法为求91视频下载地址实际风量的建议计算方法,只需要知道玻璃管中水柱的高度即可。如果现场91视频下载地址安装有压力表,也可以直接用压力表读数计算。
山东离心91视频下载地址风量和风压过小的原因与对策
高压离心91视频下载地址叶轮工作时,机内存在压力较高和压力较低的两个区域。1、由于运动部件和固定部件之间必然存在间隙,这就使流体有从高压区通过缝隙泄漏到低压区的可能性,气体从通91视频下载地址转轴与蜗壳之间的间隙处泄漏,形成外泄漏损失。2、蜗壳靠近前盘的气流,经过叶轮进口与进气口之间的间隙,流回到叶轮进口的低压区,导致内泄漏损失。以上便是导致高压离心91视频下载地址风压和风量过小的两大主要原因。
间隙越大,91视频下载地址风量和风压越小,91视频下载地址效率越低。这一点既为试验所证实,也为广大山东离心91视频下载地址厂家所承认。为此可采取以下对策:
1、采用物理方法缩小间隙的工作量太大,更换91视频下载地址部件,或者大修机器。
2、采用化学方法缩小间隙,即在间隙内均匀填充强力万能胶.该胶胶接强度高,耐水、油、酸、碱,耐湿热老化,在机械制造、维修,农机、家具方面用途十分广泛。
3、对91视频下载地址进行了试验测试,诺91视频下载地址的风量和压力均有增加,则可有效提高91视频下载地址运转效率。
版权声明:文章来源于www.yidongcesuowang.com/index.php?c=show&id=815,转载请注明出处!